東晟產品分類
- 華為手機
注塑機是制造塑料制品(手機密封件)的核心設備,通過..
- 天鍛壓力機
深度剖析天鍛壓力機在液壓缸密封件(耐壓70MPa)、萬..
- 格力集團(格力空調)
格力電器作為綜合性家電企業,其空調、冰箱、壓縮機..
- 三一重工
三一重工股份有限公司,三一重工,機械密封件全液壓壓..
- 汽車減震器Y形密封圈耐油性測試技術規范?
- 在汽車減震器密封系統中,Y形密封圈的耐油性直接影響液壓油封存效果與部件使用..
- 氟塑料制品在光伏產業中的創新應用!
- 隨著全球光伏裝機量突破1TW大關,?氟塑料制品?作為關鍵封裝材料正經歷技術革..
- 行業?:鐵路液壓制動密封件抗震動,故障率降低8..
- 在高速鐵路制動系統中,液壓密封件的抗震性能直接關系到列車運行安全與維護成..
- 密封件材質有哪幾種?從丁腈橡膠到四氟:7大密封..
- 工業設備密封效能的核心在于?密封件材質?的科學選型,其性能直接決定系統在..
- PTFE密封件如何滿足制藥行業的無菌要求??
- 在無菌藥品生產中,密封系統需同時突破化學耐受性、微粒控制及微生物屏障三大..
- 泵閥密封件安裝專業指南:規避典型失效風險?
- 泵閥密封件?的安裝精度直接影響設備壽命與運行安全,統計分析顯示?60%的密封..
- 耐250℃高溫橡膠密封件熱穩定性?
- 在高溫工業設備密封領域,?橡膠密封件的熱穩定性?直接決定設備運行安全性與..
- 氟塑料制品與金屬復合制品對比研究?
- 在工業材料創新領域,氟塑料制品與金屬復合制品的性能對比始終是技術決策的關..
- 問題點?:液壓旋轉接頭泄漏?碳纖維增強密封件防..
- 液壓旋轉接頭作為工程機械的核心部件,其泄漏問題直接影響設備可靠性與使用壽..
- 食品級密封墊圈(EPDM墊片)產品案例 ? 食品機械..
- 食品級密封墊圈(EPDM墊片)在食品機械管道系統中扮演著至關重要的角色,其優異..
重載階梯組合DMSS
- 壓力≤(MPa):40
- 速度≤(m/s):5
- 溫度℃:-35/+100
- 材料:PTFE+PU
- 介質:液壓油、阻燃液、水、氣
- 應用:移動式液壓設備,重載油缸,機床,油壓機
- 訂購熱線:400-0087-996
|
-軸用密封圈 重載階梯組合 |
|
重載階梯組合
重載階梯組合DMSS - 軸用密封圈
重載階梯組合DMSS - 軸用密封圈
技術參數> Technical Data
壓力>
Pressure[Mpa
溫度>
Temperature(℃>)
速度
Sliding speed(m/s)
介質>
Medium
標準產品
tandard
40
-35/+100
5
液壓油、阻燃油、水、氣
Mineral oil based hydraulic fluids,
barely flammable hydraulic fluids, water,air and others.
|
材料Material |
|
設計標準或互換件 |
||
|
|
彈簧圈Elastic ring |
滑環 Slide ring |
設計選用時可參考:邁克密封圈(Merkel公司) OMS-S產品標準。 以上資料僅供參考; |
|
|
標準件Standard |
NBR/PU |
PTFE-青銅 PTFE-Bronze |
||
|
特殊Special |
FKM |
PTFE-碳纖維 PTFE-carbon |
||
| 工作壓力Pressure | 160bar | 200bar | 400bar |
| 擠出間隙Max Gap E |
E≤0.6mm |
E≤0.4mm |
E≤0.2mm |
3
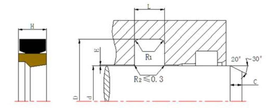
重載階梯組合DMSS - 軸用密封
桿徑d h9
溝槽底徑D H9
槽寬L +0.2
H
C≥
R1≤
20~36
d+10
5
4.7
0.8
40~65
d+15
7.5
7
5
1.2
70~200
d+20
10
9.4
7.5
1.6
210~300
d+25
12.5
11.7
8
1.6
310~550
d+30
15
14
8.5
2
510~690
d+35
17.5
16.4
9
2
700~1070
d+40
20
18.7
9
2
重載階梯組合DMSS - 軸用密封
一、避免高溫
密封件必須避開強光照射,避免密封件被空氣中臭氧侵蝕或提早老化。各種密封其性能影響因素是不同的,如機械密封(填料密封等)影響因素有溫度、介質、磨損、所承受壓力等。
密封件作為密封配件之一,在工業生產行業中應用廣泛,且用量之大。有些企業都會儲備些常用的密封件以備不需之需。讓人擔心的事就是密封件保存環境,而東晟密封件告訴您……如何貯存密封件?如果密封件存儲不好的話,就會造成密封件大量浪費。下面具體看一下密封件都有哪些貯存條件,才能更好地保存密封件。

注:各種密封其性能影響因素是不同的,如機械密封(填料密封等)影響因素有溫度、介質、磨損、所承受壓力等。
重載階梯組合DMSS - 軸用密封
| 熱 門 產 品 推 薦 | ||
![]() |
![]() |
![]() |
|
介質:液壓油、阻燃液、水、氣; 材料:NBR/PTFE FKM |
介質:標準液壓油 材料:NBR/PTFE FKM |
介質:液壓油、阻燃液、水、氣 材料:PTFE+PU |
關鍵詞:斯特封|密封件|密封圈|軸用斯特封|軸用密封圈|軸承密封件|重載階梯組合|組合密封件|聚氨酯密封件|液壓缸密封|重載階梯組合|DMSS














