東晟產品分類
- 華為手機
注塑機是制造塑料制品(手機密封件)的核心設備,通過..
- 天鍛壓力機
深度剖析天鍛壓力機在液壓缸密封件(耐壓70MPa)、萬..
- 格力集團(格力空調)
格力電器作為綜合性家電企業,其空調、冰箱、壓縮機..
- 三一重工
三一重工股份有限公司,三一重工,機械密封件全液壓壓..
- 汽車減震器Y形密封圈耐油性測試技術規范?
- 在汽車減震器密封系統中,Y形密封圈的耐油性直接影響液壓油封存效果與部件使用..
- 氟塑料制品在光伏產業中的創新應用!
- 隨著全球光伏裝機量突破1TW大關,?氟塑料制品?作為關鍵封裝材料正經歷技術革..
- 行業?:鐵路液壓制動密封件抗震動,故障率降低8..
- 在高速鐵路制動系統中,液壓密封件的抗震性能直接關系到列車運行安全與維護成..
- 密封件材質有哪幾種?從丁腈橡膠到四氟:7大密封..
- 工業設備密封效能的核心在于?密封件材質?的科學選型,其性能直接決定系統在..
- PTFE密封件如何滿足制藥行業的無菌要求??
- 在無菌藥品生產中,密封系統需同時突破化學耐受性、微粒控制及微生物屏障三大..
- 泵閥密封件安裝專業指南:規避典型失效風險?
- 泵閥密封件?的安裝精度直接影響設備壽命與運行安全,統計分析顯示?60%的密封..
- 耐250℃高溫橡膠密封件熱穩定性?
- 在高溫工業設備密封領域,?橡膠密封件的熱穩定性?直接決定設備運行安全性與..
- 氟塑料制品與金屬復合制品對比研究?
- 在工業材料創新領域,氟塑料制品與金屬復合制品的性能對比始終是技術決策的關..
- 問題點?:液壓旋轉接頭泄漏?碳纖維增強密封件防..
- 液壓旋轉接頭作為工程機械的核心部件,其泄漏問題直接影響設備可靠性與使用壽..
- 食品級密封墊圈(EPDM墊片)產品案例 ? 食品機械..
- 食品級密封墊圈(EPDM墊片)在食品機械管道系統中扮演著至關重要的角色,其優異..
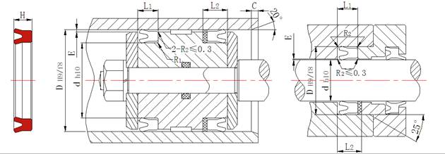
U型圈DUN
- 壓力≤(MPa):40
- 速度≤(m/s):0.5
- 溫度℃:-20/+100
- 材料:PU/FKM/NBR
- 介質:液壓油
- 應用:液壓設備,標準油缸,機床,注射機,油壓機
- 訂購熱線:400-0087-996

| 技術參數> Technical Data | ||||
|
壓力> Pressure[Mpa] |
溫度> Temperature(℃>) |
速度 Sliding speed(m/s) |
介質> Medium |
|
|
標準產品 tandard |
40 | -20/+100 | 0.5 |
液壓油、阻燃液、水、氣 Minderal oil based hydraulic fluids, barely flammable hydraulic fluids,water,air and others. |
| 材料Material | 設計標準或互換件Standard and or can fit the groove | ||
|
標準設計 Standard |
PU(Shore90-95A) | 設計選用時可參考:特瑞堡密封(Trelleborg公司)RUB系列、 鼎基密封(DZ公司)的UN系列標準。以上資料僅供參考 UN | |
| 特殊Special(on request) | PU-ULC95 | RUB,RSS,MUP,UPH | |
| 工作壓力 Pressure | 160bar | 250bar | 400bar |
| 擠出間隙 Max Gap E | E≤0.6mm | E≤0.5mm | E≤0.4mm |
訂貨范例 Order Example for standard version:
D=30mm d=20 H=6
訂貨號 Order Code DUN 20*30*6
Installation Dimension table based on Metric Size
公制溝槽尺寸(mm)
| d | D | L1 | L2 | H | R1≤ | C≥ | d | D | L1 | L2 | H | R1≤ | C≥ | |
| 20~50 | d+8 | 5 | 7 | 4 | 0.4 | 3 | 20~200 | d+20 | 11 | 13 | 10 | 1.2 | 5 | |
| 20~150 | d+6 | 6 | 8 | 5 | 0.2 | 3 | 20~200 | d+10 | 13 | 15 | 12 | 0.8 | 3.5 | |
| 20~50 | d+8 | 6 | 8 | 5 | 0.4 | 3 | 20~250 | d+15 | 13 | 15 | 12 | 1.2 | 5 | |
| 20~150 | d+10 | 6 | 8 | 5 | 0.8 | 3.5 | 20~250 | d+20 | 13 | 15 | 12 | 1.2 | 5 | |
| 20~50 | d+8 | 7 | 9 | 6 | 0.4 | 3 | 20~250 | d+25 | 13 | 15 | 12 | 1.6 | 7 | |
| 20~150 | d+10 | 7 | 9 | 6 | 0.8 | 3.5 | 100~250 | d+15 | 17 | 20 | 15 | 1.2 | 5 | |
| 20~50 | d+10 | 8 | 10 | 7 | 0.8 | 3.5 | 50~350 | d+20 | 17 | 20 | 15 | 1.2 | 5 | |
| 20~100 | d+8 | 9 | 11 | 8 | 0.4 | 3 | 20~250 | d+25 | 17 | 20 | 15 | 1.6 | 7 | |
| 20~100 | d+10 | 9 | 11 | 8 | 0.8 | 3.5 | 20~250 | d+30 | 17 | 20 | 15 | 2.4 | 8 | |
| 20~100 | d+12 | 9 | 11 | 8 | 0.8 | 3.5 | 100~300 | d+20 | 18 | 21 | 16 | 1.2 | 5 | |
| 20~100 | d+13 | 9 | 11 | 8 | 0.8 | 3.5 | 50~300 | d+25 | 18 | 21 | 16 | 1.6 | 7 | |
| 20~150 | d+15 | 9 | 11 | 8 | 1.2 | 5 | 50~300 | d+20 | 20 | 23 | 18 | 1.2 | 5 | |
| 20~200 | d+12 | 10 | 12 | 9 | 0.8 | 3.5 | 50~300 | d+25 | 20 | 23 | 18 | 1.6 | 7 | |
| 20~200 | d+15 | 10 | 12 | 9 | 1.2 | 5 | 100~300 | d+30 | 20 | 23 | 18 | 2.4 | 8 | |
| 20~200 | d+10 | 11 | 13 | 10 | 0.8 | 3.5 | 150~400 | d+30 | 24 | 27 | 22 | 2.4 | 8 | |
| 20~200 | d+15 | 11 | 13 | 10 | 1.2 | 5 | ||||||||
密封件作為密封配件之一,在工業生產行業中應用廣泛,且用量之大。有些企業都會儲備些常用的密封件以備不需之需。讓人擔心的事就是密封件保存環境,而東晟密封件告訴您……如何貯存密封件?如果密封件存儲不好的話,就會造成密封件大量浪費。下面具體看一下密封件都有哪些貯存條件,才能更好地保存密封件。
一、避免高溫
密封件必須避開強光照射,避免密封件被空氣中臭氧侵蝕或提早老化。各種密封其性能影響因素是不同的,如機械密封(填料密封等)影響因素有溫度、介質、磨損、所承受壓力等。

注:各種密封其性能影響因素是不同的,如機械密封(填料密封等)影響因素有溫度、介質、磨損、所承受壓力等。









